Shelly 1l Gen3

Shelly 1L Gen3
Shelly 1L Gen3.png

Device identification

  • Device name: Shelly 1L Gen3

  • Device model: S3SW-0A1X1EUL

  • Device SSID: Shelly1LG3-XXXXXXXXXXXX

  • Device Bluetooth ID: 0x1014

Short description

Shelly 1L Gen3 (the Device) is a compact smart switch tailored for lighting control. A standout feature of this device is that it doesn't require a Neutral wire to operate. However, it needs a Shelly Bypass 1L/2L Gen3 connected in parallel to the load. You can conveniently manage your lighting through a mobile phone, tablet, PC, or home automation system.

The device can function standalone within a local Wi-Fi network or can be integrated with cloud home automation services. As long as the Shelly 1L Gen3 is connected to a Wi-Fi router and the Internet, users can access, control, and monitor it from anywhere.

Designed with adaptability in mind, Shelly 1L Gen3 is engineered to snugly fit within standard electrical wall boxes, be discreetly placed behind light switches, or in other areas where space might be a limiting factor. An added benefit is its embedded Web Interface, which allows users to not only monitor and control their lighting but also to fine-tune the Device settings with ease.

This device is Matter ready, this functionality can be added with firmware update.

Main features

  • Perfect to retrofit! No need for a neutral wire. You can power and control your light, or other appliances using just a live wire, with no necessity to connect a neutral wire to the device.

  • Minimum bulb watts. The device requires a Bypass 1L/2L Gen3 to be installed next to the light, however, that allows it to control bulbs greater than 5W.

  • Wi-Fi Connectivity: Shelly 1L Gen3 connects to your home Wi-Fi network, allowing you to control it remotely through the Shelly mobile app or other smart home platforms.

  • Remote Control: You can remotely control the connected device or appliance from anywhere with an internet connection using the Shelly app on your smartphone or tablet.

  • Voice Control: If integrated with voice assistants like Amazon Alexa or Google Assistant, you can control the device using voice commands.

  • Scheduling and Automation: Shelly 1L Gen3 supports scheduling and automation, enabling you to set timers and create routines for your connected devices. For example, you can schedule lights to turn on and off at specific times.

  • Compatibility:

    • It is designed and tested to ensure compatibility with wide range of lights.

    • It is designed to work with wide ranges of voltages - 220-240 VAC

  • Compact Design: Shelly 1L Gen3 has a compact design, allowing it to fit into electrical boxes or behind switches without taking up much space.

  • Protection: Internal temperature sensor for overheating protection

  • Local and Remote Access: You can control your devices both locally when connected to the same Wi-Fi network and remotely when you're away from home.

  • OTA Updates: Shelly devices often receive over-the-air (OTA) firmware updates to enhance functionality and security.

  • Compatibility with Smart Home Ecosystems: Shelly 1L Gen3 may be compatible with various smart home ecosystems and platforms, such as MQTT, Home Assistant, and more, making it a versatile choice for building a smart home.

  • New features as compared with the old Shelly 1L: All of the new features coming with the new Shelly devices - Scripting support, HTTPS, MQTTS, Inbound and Outbound Web Sockets.

Main applications

  • Residential

  • MDU (Multi Dwelling Units - apartments, condominiums, hotels, etc.)

  • Light commercial (small office buildings, small retail/restaurant/gas station, etc.)

  • Government/municipal

  • University/college

Integrations

Amazon Alexa supported capabilities

  • Toggle Controller

Google Smart Home supported traits

  • On Off

Samsung SmartThings supported capabilities

  • Switch

Simplified internal schematics

1L-Gen3-internal-schematics.png

Device electrical interfaces

Inputs

  • 2 switch/button inputs on screw terminals: S1 and S2

  • 1 power supply input on screw terminal: L

Outputs

  • 1 switch/button signal output on screw terminal: Sx

  • 1 relay output on screw terminal: O

Connectivity

  • Wi-Fi

  • Bluetooth

Safety function

  • Overheating protection

Supported load types

  • Incandescent lights*

  • LED lights*

*without step-down transformers for lower-voltage lights

User interface

Inputs

  • One (Control) button

    • Press and hold for 5 seconds to enable Device access point and Bluetooth connection.

    • Press and hold for 10 seconds to factory reset the Device.

Specifications

Quantity

Value

Physical

Size (HxWxD):

37x42x16 ±0.5 mm / 1.46x1.65x0.63 ±0.02 in

Weight:

24 g / 0.85 oz

Screw terminals max torque:

0.4 Nm / 3.5 lbin

Conductor cross section:

0.5 to 4 mm² / 20 to 11 AWG (solid, stranded, and bootlace ferrules)

Conductor stripped length:

6 to 7 mm / 0.24 to 0.28 in

Mounting:

In-wall

Shell material:

Plastic

Shell color:

Cyan

Terminal color:

Black

Environmental

Ambient working temperature:

-20 °C to 40 °C / -5 °F to 105 °F

Storage temperature:

10°C to 40 °C

Humidity:

30 % to 70 % RH

Max. altitude:

2000 m / 6562 ft

Electrical

Power supply:

220-240 V~ 50Hz (Shelly Bypass is required)

Shelly Bypass included

Yes

Power consumption:

< 1.2 W

Neutral not needed:

Yes (Shelly Bypass is required for the load at O)

Min. load without neutral and without a Bypass:

No (Shelly Bypass is required for the load at O), for all LED lights.
No, Bypass is not needed for incandescent lights.

External protection:

10 A, tripping characteristic B or C,
6 kA interrupting rating,
Energy limiting class 3

Output circuits ratings

Max. switching voltage:

240 V~ 50 Hz

Max. switching power:

200 W

Sensors, meters

Internal-temperature sensor:

Yes

Radio

Wi-Fi

Protocol:

802.11 b/g/n

RF band:

2401 - 2495 МHz

Max. RF power:

< 20 dBm

Range:

Up to 30 m / 100 ft indoors and 50 m / 160 ft outdoors
(Depends on local conditions)

Bluetooth

Protocol:

4.2

RF band:

2400 - 2483.5 MHz

Max. RF power:

< 4 dBm

Range:

Up to 10 m / 33 ft indoors and 30 m / 100 ft outdoors
(Depends on local conditions)

Microcontroller unit

CPU:

ESP-Shelly-C38F

Clock frequency:

160 Mhz

RAM:

512 KB

Flash:

8 MB

Firmware capabilities

Schedules:

20

Webhooks (URL actions):

20 with 5 URLs per hook

Scripting:

Yes

MQTT:

Yes

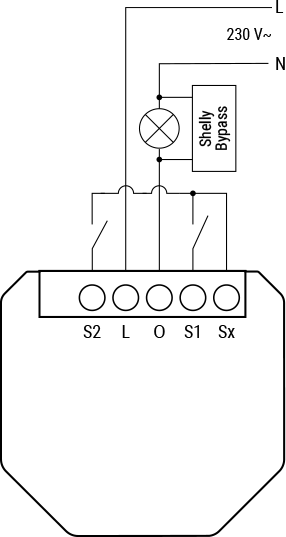
Basic wiring diagram

1L Gen3 wiring diagram.png

Legend

Terminals

Wires

L

Live (220-240 V~) terminal

L

Live (220-240 V~) wire

O

Load circuit output terminal

N

Neutral wire

S1

Switch input terminal 1

S2

Switch input terminal 2

Sx

Switch signal output terminal

Shelly Smart Control

Troubleshooting

Components and APIs

Compliance and certification

Printed user guide

Installation guides