Shelly 1 Channel Decoupler 230v Shelly 4 Channel D

Shelly 1-Channel Decoupler 230V / Shelly 4-Channel Decoupler 230V

Device image

combined-white.png

Device identification

  • Device name: Shelly 1-Channel Decoupler 230V

  • Device model: N/A

  • Device SSID: N/A

  • Device name: Shelly 4-Channel Decoupler 230V

  • Device model: N/A

  • Device SSID: N/A

Short description

Shelly 1-Channel Decoupler 230V / Shelly 4-Channel Decoupler 230V is an electronic component that interconnects two separate electrical circuits (AC to DC) by means of a light sensitive optical interface (an octocoupler). It is designed for use with Shelly Plus Uni, Plus Add-on, Plus RGBW PM and Pro RGBW PM devices and different controllers, such as switches and buttons. It allows for switching DC inputs using AC supply.

Main features

  • Isolate and control DC loads: Use existing AC for triggering inputs on DC devices. Suitable for retrofits, external/specialized switches.

Use cases

  • Third-party sensor connectivity: Connect third-party sensors that require/work on/with AC to DC Inputs, for example - PIR, Microwave, Light control, Infrared motion, Hand wave sensors.

Simplified internal schematics

AC-DC input adapter internal-schematics.png

Device electrical interfaces

Shelly 1-Channel Decoupler 230V

Inputs

  • 2 line inputs on cables: 1 L and 1 N

Outputs

  • 2 line outputs on cables: 4 and 4 +

Shelly 4-Channel Decoupler 230V

Inputs

  • 2 line inputs on cables: 1 L and 1 N

Outputs

  • 4 line outputs on cables: 4 and 4 +

Supported Shelly devices

  • Shelly Plus RGBW PM

  • Shelly Plus Add-On

  • Shelly Plus Uni

  • Shelly Pro RGBWW PM

Specifications

Physical

Size (HxWxD):

  • 48x13x7 mm / 1.89x0.51x0.27 inch (Shelly 1-Channel Decouplers)

  • 44x34x7 mm / 1.73x1.34x0.27 inch (Shelly 4-Channel Decouplers)

Weight:

  • 14 g / 0.49 oz (Shelly 1-Channel Decouplers)

  • 25 g / 0.88 oz (Shelly 4-Channel Decouplers)

Shell color:

  • White (Shelly 1-Channel Decoupler 230V, Shelly 4-Channel Decoupler 230V)

  • Black (Shelly 1-Channel Decoupler 120V, Shelly 4-Channel Decoupler 120V)

Cable length:

80 mm

Stripped length:

5 mm

Wire colors:

  • Brown (I), Blue (N), Red (O), Black (Ʇ) (Shelly 1-Channel Decouplers)

  • Brown (I1-I4), Blue (N), Red (O1-O4), Black (Ʇ) (Shelly 4-Channel Decouplers)

Environmental

Ambient working temperature:

0 to 40 °C / 32 to 104°F

Storage temperature:

-20°C to 40°C / -5°F to 105°F

Humidity:

30 % to 70 % RH

Max. altitude:

2000 m / 6562 ft

Electrical

Power consumption:

< 0.6 W

Input:

  • 120V~ 60 Hz (Shelly 1-Channel Decoupler 120V, Shelly 4-Channel Decoupler 120V)

  • 230V~ 50 Hz (Shelly 1-Channel Decoupler 230V, Shelly 4-Channel Decoupler 230V)

Max. output current:

2.4 mA

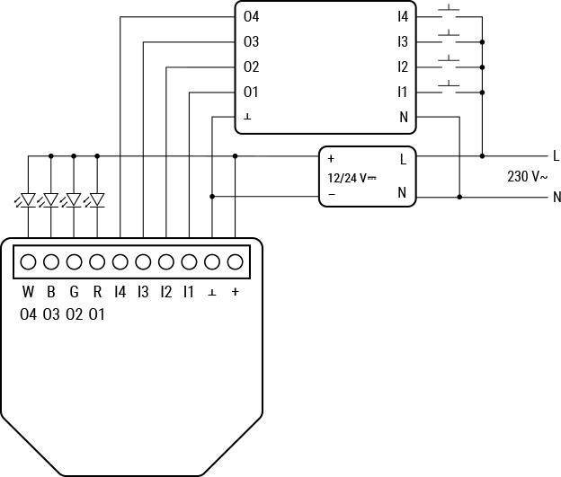
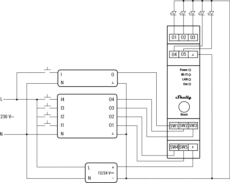
Basic wiring diagrams

Plus RGBW PM with decoupler 230V-wiring diagram.png

Plus Add-on with decoupler 230V-wiring diagram.png

Plus Uni with decoupler 230V-wiring diagram.png

Pro RGBWW PM with decoupler 230V-wiring diagram.png

Terminals

Wires

Shelly Plus RGBW PM terminals

Shelly 1-Channel Decoupler 230V / 4-Channel Decoupler 230V wires

I1, I2, I3, I4:

Input terminals

I:

AC input wire (Shelly 1-Channel Decoupler 230V)

:

12/24 ⎓ ground terminal

I1, I2, I3, I4:

AC input wires (Shelly 4-Channel Decoupler 230V)

Shelly Plus Add-on terminals

O:

DC output wire (Shelly 1-Channel Decoupler 230V)

DIGITAL IN:

Digital input terminal

O1, O2, O3, O4:

DC output wires (Shelly 4-Channel Decoupler 230V)

GND:

12/24 ⎓ ground terminal

N:

Neutral wire

Shelly Plus Uni terminals

Ʇ:

12/24 ⎓ ground wire

IN1, IN2:

Digital input terminals

Power grid wires

GND:

12/24 ⎓ ground terminal

L:

Live wire (230 V~)

Shelly Pro RGBWW PM terminals

N:

Neutral wire

SW1, SW2, SW3, SW4, SW5:

Input terminals

:

12/24 ⎓ ground terminal

Compliance and certification

Shelly Decoupler multilingual EU declaration of conformity.pdf

Printed user guide

Shelly 1-Channel and 4-Channel Decouplers 230V multilingual printed user and safety guide.pdf