Shelly Bypass for 1L/2L Gen3

Short description
Shelly Bypass for 1L/2L is required for the Shelly 1L or 2L Gen3 to operate without a Neutral wire at 240 V~, 50 Hz.
Compatibility:
Compatible with Shelly 1L Gen3 and Shelly 2L Gen3.
Main features
Perfect for retrofitting: The Device can be mounted directly behind the light source where space is limited. It connects to Neutral and Live wires.
No minimum load condition for other Shelly devices: The Device is a bypass, allowing the Shelly 1L and 2L Gen3 to function correctly in installations without a Neutral wire.
Compatibility: Designed and tested to ensure compatibility with a wide range of lights.
Main applications
Residential
MDU (Multi Dwelling Units - apartments, condominiums, hotels, etc.)
Light commercial (small office buildings, small retail/restaurant/gas station, etc.)
Government/municipal
University/college
Device electrical interfaces
Inputs
2 line inputs on cables: 1 O (output coming from Shelly 1L/2L Gen3) and 1 N
Specifications
Quantity |
Value |
---|---|
Physical | |
Size (HxWxD): |
39x23x13 mm / 1.54x0.91x0.51 inch (without wires) |
Weight: |
8 g / 0.28 oz |
Conductor cross section: |
0.2 mm2 / 24 AWG stranded |
Conductor stripped length: |
0.5 mm / 0.02 in |
Lenght of cables: |
65±5 mm / 2.56±0.2 in |
Mounting: |
Inside Light Fixture |
Shell material: |
Plastic |
Shell color: |
Cyan |
Cable color: |
Black |
Environmental | |
Ambient working temperature: |
-20° C to 70° C / -5° F to 158° F |
Humidity: |
30 % to 70 % RH |
Max. altitude: |
2000 m / 6562 ft |
Electrical | |
Power supply: |
240 V~, 50 Hz |
Power consumption: |
< 4 W |
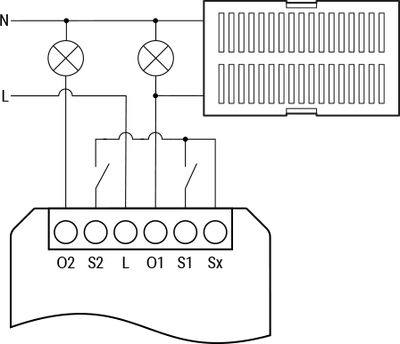
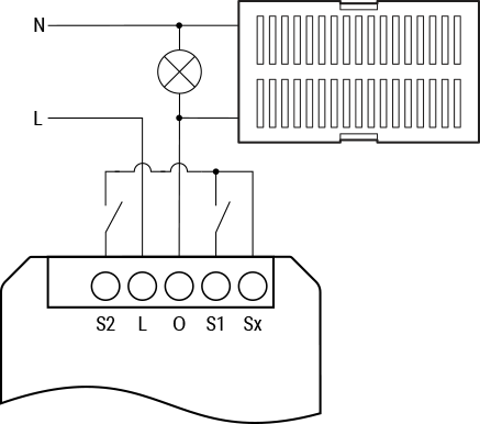
Basic wiring diagrams
![]() |
![]() |
Terminals |
Wires |
||
---|---|---|---|
L |
Live (220-240 V~) terminal |
L |
Live (220-240 V~) wire |
O, O1, O2 |
Load circuit output terminals |
N |
Neutral wire |
S1, S2 |
Switch input terminals |
||
Sx |
Switch signal output terminal |
Compliance
Shelly Bypass for 1L-2L Gen3 multilingual EU Declaration of Conformity.pdf
Printed user guide
Shelly Bypass for 1L-2L multilingual printed user and safety guide.pdf