Shelly Plus Plug US

Identificazione del dispositivo
Nome del dispositivo: Shelly Plus Plug US
Modello del dispositivo: SNPL-00116US
SSID del dispositivo: ShellyPlusPlugUS-XXXXXX
Breve descrizione
Shelly Plus Plug US (Il Dispositivo) è una presa intelligente con misurazione della potenza e protezione da surriscaldamento, che consente il controllo remoto degli apparecchi elettrici tramite telefono cellulare, tablet, PC o sistema di domotica. Può funzionare in modo autonomo in una rete Wi-Fi locale oppure può essere gestito tramite servizi cloud di domotica.
Shelly Plus Plug US può essere accessibile, configurato e monitorato da remoto da qualsiasi luogo in cui l'Utente abbia connettività Internet, purché il dispositivo sia connesso a un router Wi-Fi e a Internet.
Il Dispositivo dispone di un'interfaccia Web integrata che può essere utilizzata per monitorare e controllare il dispositivo, nonché per regolare le sue impostazioni.
Applicazioni principali
Residenziale
MDU (Unità Abitative Multiple - appartamenti, condomini, hotel, ecc.)
Piccolo commerciale (piccoli edifici per uffici, piccoli negozi/ristoranti/stazioni di servizio, ecc.)
Governo/municipale
Università/collegi
Integrazioni
Google
Samsung SmartThings
Alexa
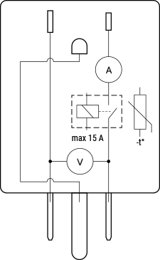
Schema interno semplificato

Interfacce elettriche del dispositivo
Ingresso
1 spina NEMA 5-15 (Tipo-B)
Uscita
1 presa NEMA 5-15 (Tipo-B)
Connettività
Wi-Fi
Bluetooth
Caratteristiche di sicurezza
Protezione da surriscaldamento
Protezione da sovratensione
Protezione da sovracorrente
Protezione da sovraccarico
Tipi di carico supportati
Resistivo (lampadine a incandescenza, dispositivi di riscaldamento)
Capacitivo (banchi di condensatori, apparecchiature elettroniche, condensatori di avviamento motore)
Induttivo (driver per luci LED, trasformatori, ventilatori, frigoriferi, condizionatori d'aria)
Interfaccia utente
Ingressi
-
Un pulsante
Premere e tenere premuto per 5 secondi per riavviare (possibile fino a 60 secondi dopo aver collegato il dispositivo).
Premere e tenere premuto per 10 secondi per il reset di fabbrica (possibile fino a 60 secondi dopo aver collegato il dispositivo).
Uscite
-
Indicazione LED
Blu lampeggiante rapidamente: Modalità AP
Blu lampeggiante lentamente: Connesso a una rete Wi-Fi
Blu fisso: Connesso a Shelly Cloud
Rosso fisso: Alimentazione fornita all'apparecchio collegato
Rosso lampeggiante lentamente: Riavvio avviato (pulsante di accensione premuto per 5 secondi)
Rosso lampeggiante rapidamente: Reset di fabbrica avviato (pulsante di accensione premuto per 10 secondi)
Rosso e blu lampeggianti alternativamente: Aggiornamento firmware
Specifiche
Tipo |
Valore |
|---|---|
Fisiche | |
Dimensioni (AxLxP): |
38x84x52 ±0,5 mm / 1,5x3,3x2,0 in ±0,02 in |
Peso: |
70 ±1 g / 2,47 ±0,04 oz |
Prese compatibili: |
NEMA 5-15 (Tipo-B) |
Spine compatibili: |
NEMA 1-15 (Tipo-A) e NEMA 5-15 (Tipo-B) |
Materiale della scocca: |
Plastica |
Colore: |
Bianco |
Ambientali | |
Temperatura ambiente: |
-20 °C a 40 °C / -5 °F a 105 °F |
Umidità |
30 % a 70 % UR |
Altitudine max. |
2000 m / 6562 ft |
Elettriche | |
Tensione di alimentazione AC: |
120 V ±10 %, 60 Hz |
Tensione di alimentazione DC: |
N/D |
Consumo energetico: |
< 1 W |
Valori circuiti di uscita | |
Tensione massima commutabile AC: |
140 V |
Tensione massima commutabile DC: |
N/D |
Corrente massima commutabile AC: |
15 A |
Corrente massima commutabile DC: |
N/D |
Sensori, misuratori | |
Sensore di temperatura interno: |
Sì |
Voltmetro: |
Sì |
Amperometro: |
Sì |
Misuratori di potenza ed energia: |
Sì |
Radio | |
Banda RF: |
2400 - 2495 MHz |
Potenza RF max.: |
<20 dBm |
Protocollo Wi-Fi: |
802.11 b/g/n |
Portata Wi-Fi: |
Fino a 30 m / 100 ft in ambienti interni e 50 m / 160 ft all'aperto |
Protocollo Bluetooth: |
4.2 |
Portata Bluetooth: |
Fino a 10 m / 33 ft in ambienti interni e 30 m / 100 ft all'aperto |
MCU | |
CPU: |
ESP32 |
Flash: |
4 MB |
Capacità firmware | |
Webhooks (azioni URL): |
20 con 5 URL per hook |
Scripting: |
Sì |
MQTT: |
Sì |
CoAP: |
No |
Risoluzione problemi
...
Componenti e API
Guida utente stampata
Guida utente e sicurezza multilingue stampata Shelly Plus Plug US.pdf