Shelly Pro 2PM V1

Shelly Pro 2PM v.1

Shelly Pro 2PM v.1 is a modification of Shelly Pro 2PM (SPSW-002PE16EU)

Shelly Pro 2PM v.0 is now obsolete and out of sale.

Differences with Shelly Pro 2PM v.0 are marked by the symbol in the text below.

Main changes:

  • Power supply: no more 12 VDC option.

  • Connectors: 3-terminal connectors are replaced by 2-terminal ones.

  • PCBs: relay 2-layer PCBs are replaced by 4-layer ones for better thermal performance.

  • LAN: improved high voltage electrical distances.

  • Plastics shell: improved dielectric performance.

Device identification (≠)

  • Device name: Shelly Pro 2PM v.1

  • Device model: SPSW-202PE16EU

  • Device SSID: ShellyPro2PM-XXXXXX

Short description

Shelly Pro 2PM is a DIN rail mountable 2-channel smart switch with power measurement capabilities. Enhanced with all the gen2 firmware flexibility and LAN connectivity, it provides professional integrators with many more options for end customer solutions. It can work standalone in a local Wi-Fi network or it can also be operated through cloud home automation services.

Shelly Pro 2PM can be accessed, controlled and monitored remotely from any place where the User has internet connectivity, as long as the device is connected to a Wi-Fi router and the Internet.

Shelly Pro 2PM has an embedded Web Interface which can be used to monitor and control the device, as well as adjust its settings.

Main applications

  • Residential

  • MDU (Multi Dwelling Units - apartments, condominiums, hotels, etc.)

  • Light commercial (small office buildings, small retail/restaurant/gas station, etc.)

  • Government/municipal

  • University/college

Integrations

  • Google

  • Alexa

  • Samsung SmartThings

Simplified internal schematics (≠)

Shelly Pro 2PM V2 internal schematics

Device electrical interfaces

Inputs

  • 2 switch/button inputs on screw terminals: SW1 and SW2

  • 2 power supply inputs on screw terminals: 1 N and 1 L

  • 2 relay inputs: I1, I2

Outputs

  • 2 relay outputs: O1, O2

Ethernet port

  • 1 RJ45 connector

⚠CAUTION! Plug in or unplug the LAN cable only when the Device is powered off! The LAN cable connector must not be metallic in the parts touched by the user to plug in or unplug the cable.

Add-on interface

  • Shelly proprietary serial interface

⚠CAUTION! High voltage on the add-on interface when the Device is powered!

Connectivity

  • Ethernet

  • Wi-Fi

  • Bluetooth

Safety features

  • Overheating protection

  • Overvoltage protection

  • Overcurrent protection

  • Overpower protection

Supported load types

  • Resistive (incandescent bulbs, heating devices)

  • Capacitive (capacitor banks, electronic equipment, motor start capacitors)

  • Inductive with RC Snubber (LED light drivers, transformers, fans, refrigerators, air-conditioners)

User interface

Inputs

  • One tactile dome button

    • Press and hold 5 sec to reboot.

    • Press and hold 10 sec to factory reset.

Outputs

  • LED indication

    • Power (red): Red light indicator will be on if power supply is connected.

    • Wi-Fi (varies):

      • Blue light indicator will be on if in AP mode.

      • Red light indicator will be on if in STA mode and not connected to a Wi-Fi network.

      • Yellow light indicator will be on if in STA mode and connected to a Wi-Fi network. Not connected to Shelly Cloud or Shelly Cloud disabled.

      • Green light indicator will be on if in STA mode and connected to a Wi-Fi network and to the Shelly Cloud.

      • The light indicator will be flashing Red/Blue if OTA update is in progress.

    • LAN (green): Green light indicator will be on if LAN is connected.

    • Out 1 (red): Red light indicator will be on if the Output 1 relay is closed.

    • Out 2 (red): Red light indicator will be on if the Output 2 relay is closed.

Specifications (≠)

Type

Value

Physical

Size (HxWxD):

94x19x69 ±0.5 mm / 3.70x0.75x2.71 ±0.02 in

Weight:

Mounting:

DIN rail

Screw terminals max torque:

0.4 Nm / 3.54 lbin

Conductor cross section:

0.5 to 2.5 mm² / 20 to 14 AWG (green connectors)
0.5 to 1.5 mm² / 20 to 16 AWG (blue connectors)

Conductor stripped length:

6 to 7 mm / 0.24 to 0.28 in (green connector)
5 to 6 mm / 0.20 to 0.24 in (blue connectors)

Shell material:

Plastic

Color:

Black

Environmental

Ambient temperature:

-20 °C to 40 °C / -5 °F to 105 °F

Humidity

30 % to 70 % RH

Max. altitude

2000 m / 6562 ft

Electrical

Power supply voltage AC:

110 - 240 V

Power supply voltage DC:

N/A

Power consumption:

< 3 W

Neutral not needed:

No

Output circuits ratings

Max switching voltage AC:

240 V

Max switching voltage DC:

N/A

Max switching current AC:

16 A per channel, 25 A total

Max switching current DC:

N/A

Sensors, meters

Voltmeter (AC)

Yes

Ammeter (AC)

Yes

Internal-temperature sensor:

Yes

Radio

RF band:

2400 - 2495 MHz

Max. RF power:

<20 dBm

Wi-Fi protocol:

802.11 b/g/n

Wi-Fi Range:

Up to 30 m / 100 ft indoors and 50 m / 160 ft outdoors
(Depends on local conditions)

Bluetooth Protocol:

4.2

Bluetooth Range:

Up to 10 m / 33 ft indoors and 30 m / 100 ft outdoors
(Depends on local conditions)

MCU

CPU:

ESP32-D0WDQ6

Flash:

8 MB

Firmware capabilities

Schedules:

20

Webhooks (URL actions):

20 with 5 URLs per hook

Scripting:

Yes

MQTT:

Yes

CoAP:

No

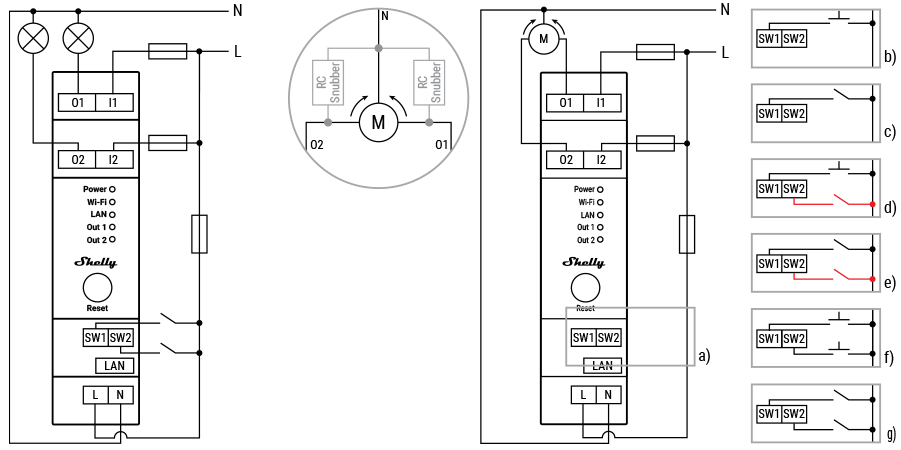
Basic wiring diagram (≠)

Shelly Pro 2PM basic wiring diagrams
Switch/button Configurations in Cover mode

a) Detached mode

b) Single button mode

c) Single switch mode

d) Single button and safety switch mode

e) Single switch and safety switch mode

f) Dual button mode

g) Dual switch mode

Legend

Terminals

Wires

I1, I2

Load circuit input terminals

L

Live (110-240 V) wire

O1, O2

Load circuit output terminals

N

Neutral wire

SW1, SW2

Switch/button input terminals

L

Live (110-240 V) terminal

N

Neutral terminal

LAN

Local Area Network RJ 45 connector

Shelly Smart Control

Shelly Web user interface

Troubleshooting

...

Components and APIs

Printed user guide

Shelly Pro 2PM multilingual printed user and safety guide.pdf

Compliance

Shelly Pro 2PM multilingual EU declaration of conformity 2025-07-30.pdf

Shelly Pro 2PM UK PSTI ACT Statement of compliance.pdf

Shelly PRO 1PM&2PM AU NZ certificate for Suitability.pdf

Installation guides