1-Phasen, 2-Kanal-Relais mit zwei präzisen Energiemessern zur separaten Steuerung und Überwachung des Verbrauchs pro Kanal. Ideal für Rollladenautomatisierung.
5
5 Jahre Garantie
5 Jahre Garantie
Diese Garantie deckt alle Probleme mit der Hardware oder Firmware ab, die zum Zeitpunkt des Kaufs vorhanden sind oder innerhalb der Garantiezeit auftreten. Die Garantie umfasst alle Teile der Hardware, wie Gehäuse, Mechanik und Display (falls zutreffend). Verbrauchsartikel wie Batterien oder Zubehör sind jedoch nicht abgedeckt, da deren Lebensdauer von der Häufigkeit ihrer Nutzung abhängt.
Mehr erfahren
Häufige Verwendungsarten:
Abdeckungen und Jalousien
Lichter
Elektrogeräte
Leistungsüberwachung
...& andere
Alle Bestellungen werden aus der EU versendet
Verfügbarkeit für Abholungen konnte nicht geladen werden
Hauptmerkmale
LAN-, WLAN- und Bluetooth-Verbindung
Zwei Ausgänge, je 16 A. Maximale Gesamtleistung des Geräts von 25 A
Leistungsmessung auf jedem Kanal und freie Datenspeicherung
Steuerung von Rollläden, Professionelles 2-Kanal-Relais mit WLAN-, LAN- und Bluetooth-Anschluss. Geeignet für die Automatisierung von Büro- und Geschäftsräumen mit Fernsteuerung und präzisem Energiemanagement. Markisen, Toren, Schranken, Schiebetüren, Vorhängen, Garagentoren, bidirektionalen AC-Motoren
Unterstützt die KNXnet / IP-Kommunikation
Shelly Pro 2PM v.1
Shelly Pro 2PM v.1 is a modification of Shelly Pro 2PM (SPSW-002PE16EU)
Differences with Shelly Pro 2PM v.0 are marked by the ≠ symbol in the text below.
Main changes:
Power supply: no more 12 VDC option.
Connectors: 3-terminal connectors are replaced by 2-terminal ones.
PCBs: relay 2-layer PCBs are replaced by 4-layer ones for better thermal performance.
LAN: improved high voltage electrical distances.
Plastics shell: improved dielectric performance.
Device identification (≠)
Device name: Shelly Pro 2PM v.1
Device model: SPSW-202PE16EU
Device SSID: ShellyPro2PM-XXXXXX
Short description
Shelly Pro 2PM is a DIN rail mountable 2-channel smart switch with power measurement capabilities. Enhanced with all the gen2 firmware flexibility and LAN connectivity, it provides professional integrators with many more options for end customer solutions. It can work standalone in a local Wi-Fi network or it can also be operated through cloud home automation services.
Shelly Pro 2PM can be accessed, controlled and monitored remotely from any place where the User has internet connectivity, as long as the device is connected to a Wi-Fi router and the Internet.
Shelly Pro 2PM has an embedded Web Interface which can be used to monitor and control the device, as well as adjust its settings.
Main applications
Residential
MDU (Multi Dwelling Units - apartments, condominiums, hotels, etc.)
Light commercial (small office buildings, small retail/restaurant/gas station, etc.)
Government/municipal
University/college
Integrations
Google
Alexa
Samsung SmartThings
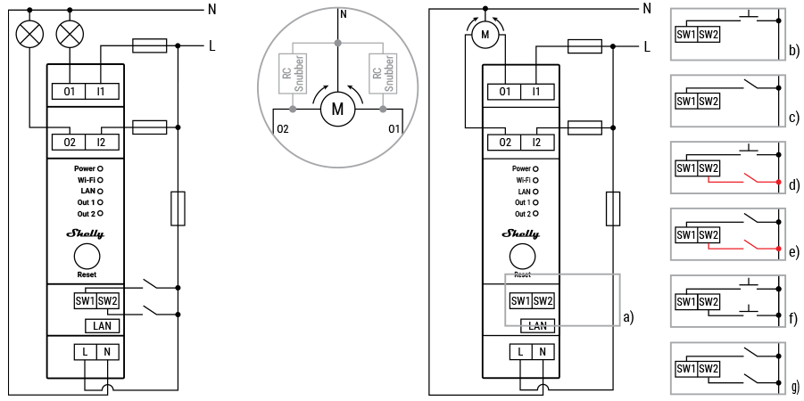
Simplified internal schematics (≠)
Device electrical interfaces
Inputs
2 switch/button inputs on screw terminals: SW1 and SW2
2 power supply inputs on screw terminals: 1 N and 1 L
2 relay inputs: I1, I2
Outputs
2 relay outputs: O1, O2
Ethernet port
1 RJ45 connector
⚠CAUTION! Plug in or unplug the LAN cable only when the Device is powered off! The LAN cable connector must not be metallic in the parts touched by the user to plug in or unplug the cable.
Add-on interface
Shelly proprietary serial interface
⚠CAUTION! High voltage on the add-on interface when the Device is powered!
Connectivity
Ethernet
Wi-Fi
Bluetooth
Safety features
Overheating protection
Overvoltage protection
Overcurrent protection
Overpower protection
Supported load types
Resistive (incandescent bulbs, heating devices)
Capacitive (capacitor banks, electronic equipment, motor start capacitors)
Nein, das Protokoll wird nur für die Geräte-Einbindung verwendet, sodass ein schnelles und einfaches Set-up über die Shelly Smart Control App möglich ist.
Für die Bluetooth-Steuerung wird ein weiteres Bluetooth-Gerät benötigt, wie zum Beispiel der Shelly BLU Button oder der Shelly BLU Motion, um zu interagieren.
Zusätzlich können Shelly Geräte als BLE-Gateway fungieren und Shelly BLU Geräte mit Deinem WLAN verbinden.
Funktioniert die Verbrauchsmessung nur, wenn das Shelly Gerät eine Netzwerkverbindung hat?
Ja, der Shelly Pro 2PM benötigt eine Netzwerkverbindung, um den Stromverbrauch zu messen und zu melden. Ohne Verbindung kann das Gerät keine Daten an die Shelly Cloud oder andere integrierte Plattformen übertragen.
Wie kann ich auf die Weboberfläche des Shelly Pro 2PM zur Konfiguration zugreifen?
Du kannst die integrierte Weboberfläche des Shelly Pro 2PM über einen Standard-Webbrowser auf einem Gerät öffnen, das mit demselben Netzwerk verbunden ist. Befindet sich das Gerät im Access-Point-(AP)-Modus, dann verbinde Dich mit seinem WLAN (SSID-Format: „ShellyPro2PM-XXXXXX“) und rufe im Browser die Adresse 192.168.33.1 auf. Ist das Gerät mit Deinem lokalen WLAN verbunden, gib einfach die IP-Adresse des Geräts im Browser ein, um die Oberfläche zu öffnen.
Ist es möglich, das Gerät ohne Hub zu verwenden?
Ja, Shelly Geräte (außer den Wave-Geräten) arbeiten eigenständig, ohne dass ein Hub benötigt wird. Sie verbinden sich direkt mit Deinem WLAN, und Du kannst sie über die Shelly Smart Control App, das Webinterface oder über Integrationen mit Plattformen wie Google Home, Alexa, Home Assistant und Samsung SmartThings steuern.
Die Shelly Pro-Serie ist mit Temperatur-, Überleistungs- und Überspannungsschutz ausgestattet und wurde für den Einbau in den Unterbrecherkasten (DIN) entwickelt. Sie ermöglicht eine vollständige smarte Automatisierung ohne zusätzliche Kabel oder Verdrahtung und eignet sich perfekt für Wohnhäuser, Büros, Geschäfte, Unternehmen und Produktionsstätten sowie für Neubauten.
Verbesserte Sicherheitsmerkmale
Überhitzungsschutz
Bei potenziell gefährlichen Temperaturen oder einem plötzlichen Temperaturanstieg schaltet das Gerät die Ausgänge ab und sendet eine Benachrichtigung.
Überlastungsschutz
Wird eine Überlastung festgestellt, schaltet das Gerät die Ausgänge ab und sendet sofort eine Benachrichtigung. Die Überspannungsschutzfunktion schützt das Gerät und andere elektrische Geräte vor möglichen Schäden.
*Diese Funktion ist nur für Geräte verfügbar, die mit Strommessung ausgestattet sind.
Überspannungsschutz
Spannungsspitzen können für elektrische Geräte und Maschinen gefährlich sein. Um Schäden an Elektrogeräten zu vermeiden, werden die Ausgänge bei Überspannungsspitzen abgeschaltet, und Du erhältst sofort eine Benachrichtigung.
*Diese Funktion ist nur für Geräte verfügbar, die mit Strommessung ausgestattet sind.
Flammhemmend (V-0)
Alle Komponenten des Shelly Pro werden aus schwer entflammbaren Materialien hergestellt und behalten ihre Konstruktion auch bei starker Hitzeeinwirkung bei.
LAN-, WLAN- und Bluetooth-Konnektivität
LAN-Verbindung für hohe Sicherheit und Zuverlässigkeit. Gleichzeitige WLAN- und LAN-Nutzung als Backup bei Bedarf.
Zwei Ausgänge, je 16 A
Der Shelly Pro 2PM hat eine Gesamtgeräteleistung von 25 A.
Präzise Leistungsmessung
Der Shelly Pro 2PM gewährleistet eine präzise Überwachung des Stromverbrauchs.
Abdeckungssteuerung (Rollläden)
Steuere bidirektionale AC-Motoren und stelle Deine gewünschte Position ein.
Verbesserte Sicherheit
Verbesserte Sicherheitsfunktionen und TLS 1.2-Unterstützung, die eine breite Palette sicherer Cloud-verbundener und lokaler Integrationen ermöglichen.
Skriptfunktionen
Der Shelly Pro 2PM unterstützt vollständig mjS-Scripting, sodass Du weitere Features und Funktionen erstellen kannst.
Anwendungsbeispiele
Shelly Pro 2PM
Eine Markise, die sich dem Wetter anpasst
Eine Markise, die sich dem Wetter anpasst
Motorisierte Außenmarkisen bieten an sonnigen Tagen angenehmen Schatten für Hausbewohner und Gäste. Ein starker, unerwarteter Wind kann sie jedoch irreparabel beschädigen. Durch die Kombination mit einem Windsensor oder einfach durch die Implementierung eines Skripts zum Empfang von Wettervorhersagen kann der Shelly Pro 2PM die Außenmarkisen automatisch schließen, um sie vor Wind zu schützen. Und auch wenn Regen angekündigt ist, schließt der Shelly Pro 2PM die Markisen, um sie vor Schimmelbefall zu schützen.
Mehr Privatsphäre
Mehr Privatsphäre
Motorisierte Jalousien und Vorhänge führen nicht nur dazu, dass mehr natürliches Licht genutzt wird. Sie geben Deinen Hotelgästen auch mehr Kontrolle über ihre Privatsphäre, solange sie die Vorrichtungen individuell steuern können. Lasse sie die Jalousien selbst bedienen und das hereinströmende Licht nach ihren eigenen Bedürfnissen und Vorlieben lenken.
Fernbedienung von Parkplatztoren
Fernbedienung von Parkplatztoren
Sicherheitsdienste sind teuer. Der Shelly Pro 2PM ermöglicht die Automatisierung der Zugangskontrolle für Dein Büro oder Zuhause, indem er Deine Parkplatzschranke oder Dein Hoftor fernsteuerbar macht. Verwende eine smarte Planung, um den Shelly Pro 2PM so einzustellen, dass die Schranke oder das Tor beispielsweise zwischen 18:00 und 19:00 Uhr ganz offen bleibt, damit Deine Mitarbeiter das Gelände problemlos verlassen können.
Smarter Konferenzraum
Smarter Konferenzraum
Automatisierte Konferenzräume sind jederzeit für ein Meeting bereit. Beauftrage den Shelly Motion 2, das Szenario für Meetings zu aktivieren, sobald Du den Raum betrittst: Die elektrischen Rollos fahren herunter, die smarten Lampen werden auf die gewünschte Helligkeit gedimmt, die Projektionsleinwand wird ausgefahren und der Projektor schaltet sich ein. Im Nu ist der Konferenzraum bereit für Deine Präsentation.
Eigenschaften der Pro-Serie
HTTP/HTTPS-Webhooks für eine schnelle Verbindung
Die Shelly Pro-Reihe ist mit HTTP/HTTPs-Webhooks erweitert und kann sich problemlos mit anderen kompatiblen Geräten oder Automatisierungssystemen von Drittanbietern verbinden, diese benachrichtigen oder steuern.
Smarte Aktionen, die dem Sonnenauf- und -untergang folgen
Die Shelly Pro-Serie kann den Strom nach Sonnenunter- und -aufgang gerichtet ein- und ausschalten, was eine dynamische Steuerung der elektrischen Ausrüstung je nach Jahreszeit ermöglicht.
Automatisierung mit Wochenplanung
Mit der Shelly Pro-Serie kannst Du bis zu 20 Aktionen basierend auf Deinem Tages- oder Wochenplan einrichten, ohne dass ein externer Hub oder Server erforderlich ist.
Skripterstellung für benutzerdefinierte Automatisierung
Die Shelly Pro-Serie unterstützt mjS-Skripting vollständig, sodass Du Deine eigenen Merkmale und Funktionen erstellen kannst.
HTTP/HTTPS-Webhooks für eine schnelle Verbindung
Die Shelly Pro-Reihe ist mit HTTP/HTTPs-Webhooks erweitert und kann sich problemlos mit anderen kompatiblen Geräten oder Automatisierungssystemen von Drittanbietern verbinden, diese benachrichtigen oder steuern.
Smarte Aktionen, die dem Sonnenauf- und -untergang folgen
Die Shelly Pro-Serie kann den Strom nach Sonnenunter- und -aufgang gerichtet ein- und ausschalten, was eine dynamische Steuerung der elektrischen Ausrüstung je nach Jahreszeit ermöglicht.
Automatisierung mit Wochenplanung
Mit der Shelly Pro-Serie kannst Du bis zu 20 Aktionen basierend auf Deinem Tages- oder Wochenplan einrichten, ohne dass ein externer Hub oder Server erforderlich ist.
Skripterstellung für benutzerdefinierte Automatisierung
Die Shelly Pro-Serie unterstützt mjS-Skripting vollständig, sodass Du Deine eigenen Merkmale und Funktionen erstellen kannst.
I've made some tests with the new device, all things seam good. But I've to notice you some problem with the last shipping process. In the two previous delivering you sent me the parcel as a registered mail, the postman handed me package directly at home, without problem. For this last shopping you have changed something and I had to declare the received to customs office and probably they want me to pay another income fee tax. Can you please explain me why you changed the shipping method? Thanks, best regards
H
H.
You still have not send the items but you ask how they are…
You still have not send the items but you ask how they are…. 21 days later
B
B.
a great piece of hardware
a great piece of hardware, capable of more than I ever imagined to do and most likely will. Made in Europe - love it!
B
B.
Félicitation
Service d’assistance et après vente parfait
Erweiterte Integration
KNX Support
KNXnet/IP (untersützt ausschließlich den Schalt-/Relai-Modus)
Lade unsere kostenlose App herunter, um Räume zu verwalten, den Energieverbrauch zu überwachen und Ausgaben zu verfolgen. Upgrade auf Premium für noch mehr Funktionen!
Wenn Du Dich für eine Auswahl entscheidest, wird die Seite komplett aktualisiert.