
Device identification
Device name: Shelly Plus Uni
Device model: SNSN-0043X
Device SSID: ShellyPlusUni-XXXXXX
Short description
Shelly Plus Uni (the Device) is a small form factor smart universal module featuring two solid state relays with potential free contacts, pulse counter, analog and two digital inputs. It allows remote control of electrical devices via mobile phone, tablet, PC or home automation system. It can operate standalone on a local Wi-Fi network or it can also be controlled via cloud-based home automation services.
Shelly Plus Uni can be accessed, controlled, and monitored remotely from any place where the User has internet connectivity, as long as the device is connected to a Wi-Fi router and the Internet.
Shelly Plus Uni has an embedded Web Interface which can be used to monitor and control the device, as well as adjust its settings.
Main applications
Residential
MDU (Multi Dwelling Units - apartments, condominiums, hotels, etc.)
Light commercial (small office buildings, small retail/restaurant/gas station, etc.)
Government/municipal
University/college
Integrations
Google
Samsung SmartThings
Alexa
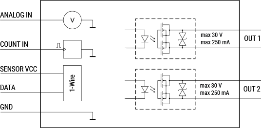
Simplified internal schematics

Device electrical interfaces
Power supply
AC/DC power supply - VAC1 and VAC2
DC power supply - +5 VDC and GND
Inputs
1 analog input - ANALOG IN
1 1-Wire data input - DATA
1 pulse counter input - COUNT IN
2 digital inputs - IN1 and IN2
Outputs
1 sensors power supply output - SENSOR VCC
2 potential-free contacts solid-state relay outputs - OUT1 and OUT2
Addon interface
Shelly proprietary serial interface

Connectivity
Wi-Fi
Bluetooth (for inclusion purposes)
Safety features
PCB coating film
User interface
Inputs
-
One (Reset) button
Press and hold for 5 seconds to enable Device access point and Bluetooth connection.
Press and hold for 10 seconds to factory reset the Device.
Outputs
-
LED (monocolor) indication
AP (Access Point) enabled and Wi-Fi disabled:
1 secondON/ 1 secondOFFWi-Fi enabled, but not connected to a Wi-Fi network:
1 secondON/ 3 secondsOFFConnected to a Wi-Fi network:
ConstantlyONCloud is enabled, but not connected:
1 secondON/5 secondsOFFConnected to Shelly Cloud:
ConstantlyONOTA (Over the Air Update):
½ secON/ ½ secondOFFButton pressed and held for 5 seconds:
½ secondON/ ½ secondOFFButton pressed and held for 10 seconds:
¼ secondON/ ¼ secondOFF
The list above starts with the initial device status and the lowest priority. Every next state cancels the previous one.
Specifications
Type |
Value |
|---|---|
Physical | |
PCB size (LxWxH): |
40x21x7 mm / 1.57x0.83x0.28 in |
Weight: |
8.5 g / 0.3 oz (with the cables) |
Environmental | |
Ambient temperature: |
-20 °C to 40 °C / -5 °F to 105 °F |
Humidity |
30 % to 70 % RH |
Electrical | |
Power supply: |
|
Power consumption: |
< 1 W |
Input circuits ratings | |
Digital inputs resistance: |
50 kΩ |
Digital inputs triggering voltage: |
1.5 V (active low level) |
Output circuits ratings | |
Max switching voltage: |
30 V |
Max switching current: |
300 mA |
Sensors, meters | |
Voltmeter: |
0-15 VDC / 0-30 VDC (Two-range) |
Voltmeter accuracy: |
|
Pulse counter input triggering voltage: |
1.5 V (active low level) |
Pulse counter max frequency: |
1 kHz |
External sensors supported: |
Single DHT22 or up to five DS18B20 |
Radio | |
RF band: |
2400 - 2495 MHz |
Max. RF power: |
<20 dBm |
Wi-Fi protocol: |
802.11 b/g/n |
Wi-Fi Range: |
Up to 30 m / 100 ft indoors and 50 m / 160 ft outdoors |
Bluetooth Protocol: |
4.2 |
Bluetooth Range: |
Up to 10 m / 33 ft indoors and 30 m / 100 ft outdoors |
MCU | |
CPU: |
ESP32-U4WDH |
Flash: |
4 MB |
Firmware capabilities | |
Schedules: |
20 |
Webhooks (URL actions): |
20 with 5 URLs per hook |
Scripting: |
Yes |
MQTT: |
Yes |
CoAP: |
No |
Basic wiring diagram
NOTICE! Shelly Plus Uni inputs are different from the previous Shelly Uni ones.

Legend
VAC1 |
Red |
8-24 VAC / 9-28 VDC power supply input 1 |
VAC2 |
Black |
8-24 VAC / 9-28 VDC power supply input 2 |
ANALOG IN |
White |
Analog input |
SENSOR VCC |
Yellow |
Power supply for 1-Wire sensors |
DATA |
Blue |
1-Wire data line |
+ 5 VDC |
Gray |
5 VDC power supply positive input |
GND |
Green |
5 VDC power supply ground input and Sensor ground |
COUNT IN |
Purple |
Counter input |
IN1 |
Orange |
Digital input 1 |
IN2 |
Brown |
Digital input 2 |
OUT 1 |
Black |
Solid-state relay 1 terminals |
OUT 2 |
Black |
Solid-state relay 2 terminals |
Troubleshooting
...
Web Interface guide
Read the Shelly Plus Uni web interface guide
Components and APIs
Printed user guide
Shelly Plus UNI multilingual printed user and safety guide.pdf
Compliance
Shelly Plus Uni multilingual EU declaration of conformity 265 2026-03-10.pdf
Shelly Plus Uni UK PSTI ACT statement of compliance 265 2026-03-10.pdf